海坦提供DL立式多級泵故障解決方法及安裝尺寸圖:
發布時間:2015-11-12 14:54:53 來源:海坦泵業 點擊次數:2581
立式多級泵特點:
DL立式多級泵采用國內優秀高效節能的水力模型,具有效率高,性能曲線平緩,運行范圍廣,符合消防局的有關規定,滿足不同用戶的使用需要;DL立式多級泵采用立式分段式結構,且運轉平穩、噪音低、使用壽命長、占地面積少、安裝維護方便等優點。
故障原因及排除方法:
|
故障現象
|
可能產生的原因
|
排除方法
|
|
1、水泵不出水
|
進水口閥門未打開,進出管路阻塞,葉輪流道阻塞電機運行方向不對,電機缺相轉速很慢吸入管漏氣泵沒灌滿液體,泵腔內有空氣進口供水不足,吸程過高,底閥漏水管路阻力過大,泵選型不當
|
檢查,去除阻塞物調整電機轉向,緊固電機接線擰緊各密封面,排除空氣打開泵上蓋或打開排氣閥,排盡空氣停機檢查、調整減少管路彎道,重新選泵
|
|
2、水泵流量不足
|
先按1原因檢查管道、泵流道或葉輪部分阻塞,水垢沉積……電壓偏低葉輪磨損
|
先按1排除去除阻塞物,重新調整閥門開度穩壓更換葉輪
|
|
3、功率過大
|
超過額定流量使用吸程過高泵軸承磨損
|
調節流量,關小出口閥門降低更換軸承
|
|
4、雜音振動
|
管路支撐不穩液體混有氣體產生汽蝕軸承損壞電機超載運行
|
穩固管路提高吸入壓力,排氣降低真空度更換軸承調整按5
|
|
5、電機發熱
|
流量過大,超載運行局部摩擦電機軸承損壞電壓不足
|
關小出口閥門檢查排除更換軸承穩壓
|
|
6、水泵漏水
|
機械密封磨損泵體有砂孔或破裂密封面不平整安裝螺栓松懈
|
更換焊補或更換修整緊固
|
DL立式多級泵由電機和泵兩部分組成,電機為Y型三相異步電機,泵和電機采用聯軸器連接,整體為剛性連接,使用時無需校正。泵由定子部分和轉子部分組成。泵定子部分由進水段、中段、導葉、出水段、填料函體等零件組成。為防止定子磨損,定子上裝有密封環、平衡套等,磨損后可用備件更換。轉子部分由軸、葉輪、平衡轂等組成。轉子下端為水潤滑軸承,上部為角接觸球軸承,DL立式多級泵的軸向力絕大部分由平衡鼓來承擔,其余小部分殘余軸向力幅角接觸球軸承來承受。進水段和出水段和結合面用紙墊通過接緊達到密封。軸封采用填料或機械密封,用戶可根據需要選擇。
DL立式多級泵旋轉方向從驅動端向下看為逆時針方向轉動。
DL立式多級泵結構圖:
1、DL立式多級泵結構緊湊,體積小,外形美觀,占地面積小,節省建筑費用;
2、DL立式多級泵的吸入口和出水口在同一中心線上,簡化管路的連接;
3、根據實際情況,DL立式多級泵的進出口可裝配成90°、180°、270°不同的方向;
4、根據實際情況,DL立式多級泵的出口可裝配成1~5個出口,以滿足同一臺泵上獲得不同的揚程;

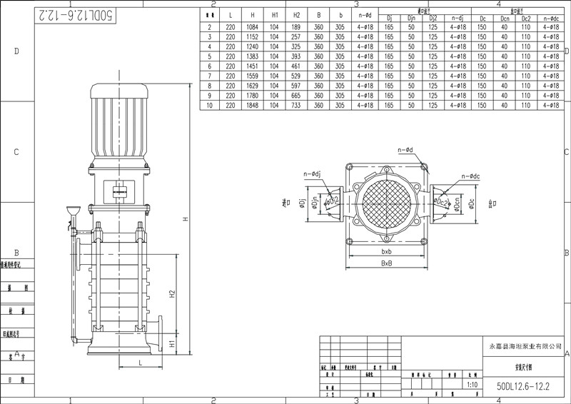
DL立式多級泵安裝尺寸圖:

下一個:臥式多級泵的產品圖片及原理解析:
